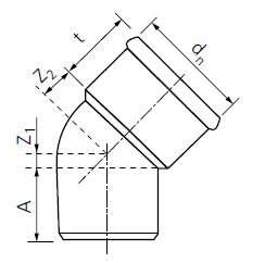
Kolano SDR 34
KZ PVC Kolano kanal. SDR34 Zamów ten produkt przez eOrder
- Indeks: 3495201942
- EAN: 8713281075484
- eOrder: Zamów ten produkt przez eOrderKZ PVC Kolano kanal. 250 90° SDR34
KZ PVC Kolano kanal. SDR34 Zamów ten produkt przez eOrder
Specyfikacja techniczna
Opis SAP | Wylicz |
---|---|
SBU | Kanalizacja zewnętrzna |
PGU | Kształtki do rur KZ PCW/PP |
Materiał | PVC (Polyvinyl chloride) |
Jednostka | SZT |
Kolor | Grey |
Typ połączenia | Kielichowe |
Rodzaj ścianki | Lita |
Obszar zastosowania | UD (pod konstrukcjami budynków oraz poza nimi) |
SDR | SDR 34 |
Pakowanie na palecie | 30 |
Rodzaj kształtki | Bend |
Standard4 | SLW 60 (60 t) |