Rura PVC, SN12 (Sewer Lock)
PVC Rura kanal. SN12 WK S-LOCK Zamów ten produkt przez eOrder
- Indeks: 3495201824
- EAN: 5905485482431
- eOrder: Zamów ten produkt przez eOrderKZ PVC Rura kanal. 400/13.0/3 SN12 WK S-LOCK lita
PVC Rura kanal. SN12 WK S-LOCK Zamów ten produkt przez eOrder
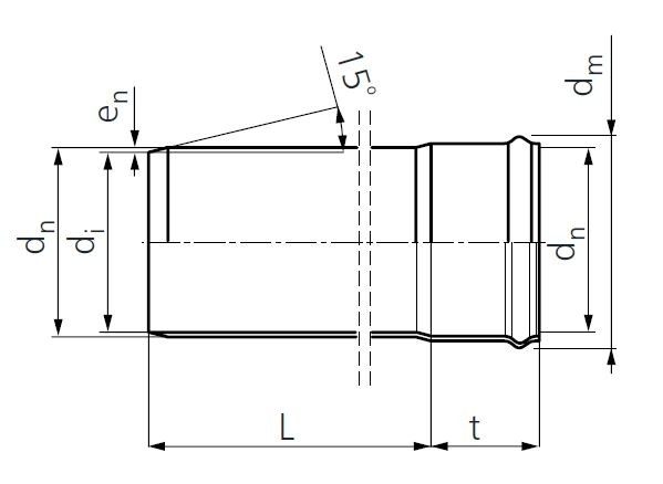
Specyfikacja techniczna
| Opis SAP | Wylicz |
|---|---|
| SBU | Kanalizacja zewnętrzna |
| PGU | Rury PCW lite > SN8 |
| Materiał | PVC (Polyvinyl chloride) |
| Jednostka | SZT |
| Kolor | Orange |
| Typ połączenia | Kielichowe |
| NR KDWU | NR6 |
| Sztywność obwodowa | SN 12 |
| Rodzaj ścianki | Lita |
| Materiał uszczelki | TPE |
| Uszczelka olejoodoporna | Zgodna z EN681-2 |
| Obszar zastosowania | UD (pod konstrukcjami budynków oraz poza nimi) |
| SDR | SDR 34 |
| Pakowanie na palecie | 3 |
| Nazwa uszczelki | Sewer Lock |
| Typ uszczelki | Zintegrowana |
| Typ PVC | PVC-U (Unplasticized) |
| Standard1 | ITB-KOT-2019/1120,2020 |
| Standard2 | ε≤5% TIR≤10% H50≥1m |
| Standard3 | VST≥79°C |
| Standard4 | SLW 60 (60 t) |
| Standard6 | Tak |
| Znak kryształku lodu | true |