Rura PVC, SN12 (Sewer Lock)
PVC Rura kanal. SN12 WK S-LOCK Zamów ten produkt przez eOrder
- Indeks: 3497102306
- EAN: 5905485455756
- eOrder: Zamów ten produkt przez eOrderKZ PVC Rura kanal. 200/6.6/6 SN12 WK S-LOCK lita
PVC Rura kanal. SN12 WK S-LOCK Zamów ten produkt przez eOrder
Specyfikacja techniczna
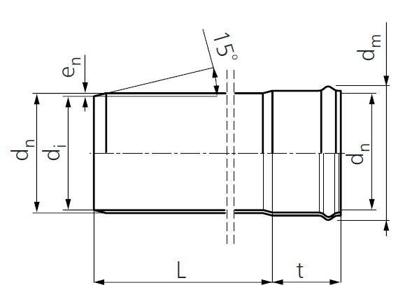
Opis SAP | KZ PVC Rura kanal. 200/6.6/6 SN12 WK S-LOCK lita |
---|---|
SBU | Kanalizacja zewnętrzna |
PGU | Rury PCW lite > SN8 |
Materiał | PVC (Polyvinyl chloride) |
Jednostka | SZT |
Kolor | Orange |
Typ połączenia | Kielichowe |
NR KDWU | NR6 |
Sztywność obwodowa | SN 4 |
Rodzaj ścianki | Lita |
Materiał uszczelki | TPE |
Uszczelka olejoodoporna | Zgodna z EN681-2 |
Obszar zastosowania | UD (pod konstrukcjami budynków oraz poza nimi) |
SDR | SDR 34 |
Pakowanie na palecie | 25 |
Nazwa uszczelki | Sewer Lock |
Typ uszczelki | Zintegrowana |
Typ PVC | PVC-U (Unplasticized) |
Standard1 | ITB-KOT-2019/1120,2020 |
Standard2 | ε≤5% TIR≤10% H50≥1m |
Standard3 | VST≥79°C |
Standard4 | SLW 60 (60 t) |
Standard6 | Tak |
Znak kryształku lodu | true |