Przejście murowe z obsypką piaszczystą

KZ PVC Przejście murowe z obsypką piaszczystą Zamów ten produkt przez eOrder

  • Indeks: 3495202994
  • EAN: 5905485481687

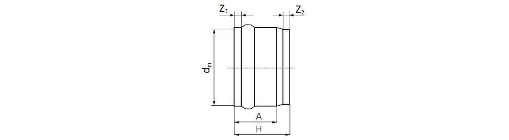
DN/OD 250 mm
z1 22 mm
z2 2 mm
A 110 mm
h1 134 mm

Opis SAP KZ PVC Przejście murowe z obsypką piaszczystą 250 SDR34 olejoodporne
SBU Kanalizacja zewnętrzna
PGU Kształtki do rur KZ PCW/PP
Materiał PVC (Polyvinyl chloride)
Jednostka SZT
Kolor Pomarańczowy
Typ połączenia Kielichowe
Uszczelka olejoodoporna Tak
SDR SDR 34
Pakowanie na palecie 156
Rodzaj kształtki Adaptor

Punkty Sprzedaży