This Browser is no longer supported. Please switch to a supported Browser like Chrome, Firefox, Safari or Edge.
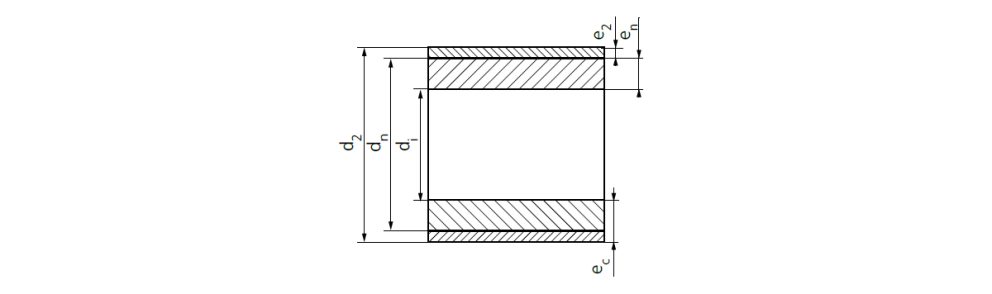
| DN/OD |
110 mm
|
| d |
96,8 mm
|
| d2 |
113,4 mm
|
| e |
6,6 mm
|
| e2 |
1,7 mm
|
| Opis SAP |
PE100RC-PE 17 110/6.6/12 PN10 CZN AQUALINE ROBUST
|
| SBU |
Wodociągi
|
| PGU |
Rury PE ROBUST
|
| Materiał |
PE - Polyethylene
|
| Jednostka |
SZT
|
| Kolor |
Niebieski
|
| Kolor warstwy wewnętrznej |
Czarny
|
| Typ połączenia |
Zgrzewanie doczołowe
|
| NR KDWU |
NR89
|
| Klasa ciśnienia |
PN10
|
| Sztywność obwodowa |
SN 4
|
| Rodzaj ścianki |
Lita
|
| Warstwa ochronna |
true
|
| Materiał warstwy ochronnej |
PE100RC
|
| Zastosowanie ciśnieniowe |
Potable water
|
| SDR |
SDR 17
|
| Atest PZH |
true
|
| Pakowanie na palecie |
48
|
| Rodzaj ścianki zewnętrznej |
Gładka
|
| Rodzaj ścianki wewnętrznej |
Gładka
|
| Współczynnik rozszerzalności terminczej |
0,2 mm/mK
|
| Typ polietylenu |
PE100RC
|
| Typ polietylenu |
Polietylen wysokiej gęstości HDPE
|
| Rura z drutem |
false
|
| Standard1 |
PN-EN 12201-2+A1:2013-12
|
| Standard2 |
OIT≥20 minut ε≤3%
|
| Standard3 |
∆l ≥350% ∆MFR±20%
|